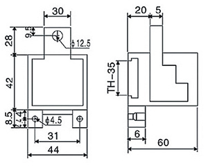
材料:聚酯(PBT)
防護等級:IP20
專業為各小型斷路器、漏電斷路器、空氣開關組合使用。
| 型號 | 物料編碼 | 進線 | 出線 | |
| TK6G-600 /35-95/ 2x25 | 4012055 | 35-95mm2 | 1.5-25mm2 | 一路進, 二路出 |
| TK6G-600 /35-95/ 3x16 | 4012056 | 35-95mm2 | 1.5-16mm2 | 一路進, 三路出 |
| TK6G-600 /35-95/ 4x16 | 4012057 | 35-95mm2 | 1.5-16mm2 | 一路進, 四路出 |
| TK6G-600 /35-95/ 6x16 | 4012058 | 35-95mm2 | 1.5-16mm2 | 一路進, 六路出 |
| TK6G-600 /35-95/ 8x16 | 4012059 | 35-95mm2 | 1.5-16mm2 | 一路進, 八路出 |
| TK6G-600 /35-95/ 10x16 | 4012060 | 35-95mm2 | 1.5-16mm2 | 一路進, 十路出 |
| TK6G-600 /35-95/ 12x16 | 4012061 | 35-95mm2 | 1.5-16mm2 | 一路進, 十二路出 |
| TK6G-600 /35-95/ 16x10 | 4012062 | 35-95mm2 | 1.5-10mm2 | 一路進, 十六路出 |
| TK6G-600 /35-95/ 18x10 | 4012063 | 35-95mm2 | 1.5-10mm2 | 一路進, 十八路出 |


手機版官網