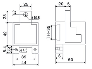
材料:聚酯(PBT)
防護等級:IP20
專業為各小型斷路器、漏電斷路器、空氣開關組合使用。
| 型號 | 物料編碼 | 進線 | 出線 | |
| TK6G-400 /25-70/ 2x25 | 4012046 | 25-70mm2 | 1.5-25mm2 | 一路進, 二路出 |
| TK6G-400 /25-70/ 3x16 | 4012047 | 25-70mm2 | 1.5-16mm2 | 一路進, 三路出 |
| TK6G-400 /25-70/ 4x16 | 4012048 | 25-70mm2 | 1.5-16mm2 | 一路進, 四路出 |
| TK6G-400 /25-70/ 6x16 | 4012049 | 25-70mm2 | 1.5-16mm2 | 一路進, 六路出 |
| TK6G-400 /25-70/ 8x16 | 4012050 | 25-70mm2 | 1.5-16mm2 | 一路進, 八路出 |
| TK6G-400 /25-70/ 10x16 | 4012051 | 25-70mm2 | 1.5-16mm2 | 一路進, 十路出 |
| TK6G-400 /25-70/ 12x16 | 4012052 | 25-70mm2 | 1.5-16mm2 | 一路進, 十二路出 |
| TK6G-400 /25-70/ 16x10 | 4012053 | 25-70mm2 | 1.5-10mm2 | 一路進, 十六路出 |
| TK6G-400 /25-70/ 18x10 | 4012054 | 25-70mm2 | 1.5-10mm2 | 一路進, 十八路出 |


手機版官網