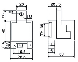
材料:聚酯(PBT)
防護等級:IP20
專業為各小型斷路器、漏電斷路器、空氣開關組合使用。
| 型號 | 物料編碼 | 進線 | 出線 | |
| TK6N-250 /16-50/ 8x16 | 4012076 | 16-50mm2 | 1.5-16mm2 | 一路進, 八路出 |
| TK6N-250 /16-50/ 10x16 | 4012077 | 16-50mm2 | 1.5-16mm2 | 一路進, 十路出 |
| TK6N-250 /16-50/ 12x16 | 4012078 | 16-50mm2 | 1.5-16mm2 | 一路進, 十二路出 |
| TK6N-250 /16-50/ 16x10 | 4012079 | 16-50mm2 | 1.5-10mm2 | 一路進, 十六路出 |


手機版官網