外殼材料:壓鑄鋁
防護等級:IP20
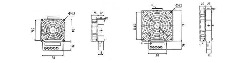
高性能風機加熱器可預防凝露的形成,給配電柜內的電子/電氣元部件提供均勻的空氣溫度。該產品有帶風機和不帶風機兩款。
| 型號 | 物料編碼 | 熱能(W) | 預保險絲T (時間延遲) | 尺寸(mm) | 重量(kg) |
| TRQFM100BA | 1017010 | 100 | 1A/1.4A | 80x112x22 | 0.4 |
| TRQFM150BA | 1017011 | 150 | 1.25A/2A | 80x112x22 | 0.4 |
| TRQFM200BA | 1017012 | 200 | 1.4A/2.5A | 119x151x22 | 0.5 |
| TRQFM300BA | 1017013 | 300 | 2A/4A | 119x151x22 | 0.5 |
| TRQFM400BA | 1017014 | 400 | 4A/5A | 119x151x22 | 0.5 |
| 發熱元件 | 鎳鉻絲 |
| 溫度安全保護 | 保護過熱引起的風扇不工作,自動重啟 |
| 加熱器主體 | 鑄鋁 |
| 連接 | 3極,螺絲連接2.5mm2,夾緊力矩最大0.8Nm |
| 接線盒 | 黑色塑料,UL94V-0 |
| 安裝 | 35mm導軌安裝,EN60715 |
| 安裝方式 | 垂直空氣流動(出風向上) |
| 操作/貯存溫度 | -45℃至+75℃(-49℉至+158℉) |
| 操作/貯存濕度 | 最大90%RH |
| 防護等級 | IP20(接地) |
| 軸流風機,滾珠 | 25℃(77℉)溫度下壽命50,000小時 |
| 軸流風機,接線 | 2極,螺絲連接2.5mm2(L2/N2) |


手機版官網