本風機由外轉子異步電動機,塑料葉輪等組合而成,具有通風散熱自冷卻的獨特優點,電機溫升低,從而延長風機壽命和可靠性。
本風機為后彎式葉輪,具有結構緊湊,風量大,靜壓高,振動小,噪音低,安裝方便等特點,主要用于凈化工作臺,凈化單元,室內管道除塵,凈化空調系統,環境保護和污染控制等制冷設備配套使用。
| 型號 | ZF-260B-230 | ZF-260B-115 |
| 物料編碼 | 1015033 | 1015034 |
| 電機 | M2E09201-AF | M2E09201-AF |
| 軸承 | 滾珠 | 滾珠 |
| 電壓(伏) | 220/230 | 110/115 |
| 頻率(赫茲) | 50/60 | 50/60 |
| 電流(安) | 0.29/0.33 | 0.61/0.63 |
| 功率(瓦) | 65/77 | 61/71 |
| 轉速(轉/分) | 2550/2700 | 2500/2750 |
| 風量(m3/h) | 915/1010 | 925/1030 |
| 噪音(分貝) | 63/61 | 62/64 |
| 重量(g) | 2200 | 2200 |
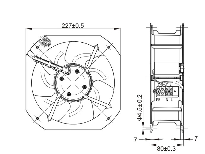
| 尺寸(mm) | 260x227x80 | |


手機版官網